

Captain Meriwether Lewis of the Lewis and Clark Expedition was one of the early advocates of interchangeable parts for rifles. In 1806, he explained:
The guns of Drewyer and Sergt. Pryor were both out of order. The first was repared with a new lock, the old one having become unfit for use; the second had the cock screw broken which was replaced by a duplicate which had been prepared for the lock at Harpers Ferry where she was manufactured. But for the precaution taken in bringing on those extra locks, and parts of locks, in addition to the ingenuity of John Shields, most of our guns would at this moment be entirely unfit for use; but fortunately for us I have it in my power here to record that they are all in good order.
















The junction between p-type and n-type silicon is called a diode. The p-type region is called the anode and the n-type region is called the cathode. When the voltage on the anode rises above the voltage on the cathode, the diode is forward biased, and current
lows through the diode from the anode to the cathode. But when the anode voltage is lower than the voltage on the cathode, the diode is reverse biased, and no current flows. The diode symbol intuitively shows that current only flows in one direction.

A capacitor consists of two conductors separated by an insulator. When a voltage V is applied to one of the conductors, the conductor accumulates electric charge Q and the other conductor accumulates the opposite charge −Q. The capacitance C of the capacitor is the ratio of charge to voltage: C = Q/V. The capacitance is proportional to the size of the conductors and inversely proportional to the distance between them.

Combinational Logic Design







Architecture



- Design Principle 1: Regularity supports simplicity.
- Design Principle 2: Make the common case fast.
- Design Principle 3: Smaller is faster.



















Memory

I/O Systems




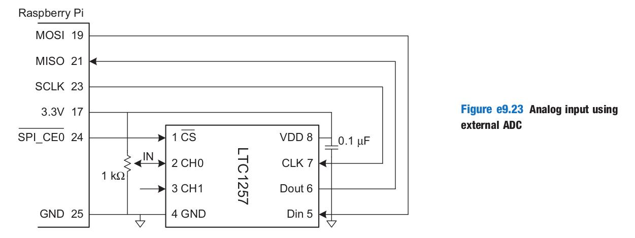
General-purpose I/O (GPIO) pins are used to read or write digital signals.




















